主頁配電箱安裝接線圖
主頁配電箱安裝接線圖詳細資料由專業的低壓開關柜、低壓配電柜、低壓配電箱報價廠家為您提供。
很多朋友都給弱勢群體留言,詢問家庭配電箱的情況,這在平時確實用得比較多,所以讓我們了解一下這個問題,對家庭配電箱有一個清晰的了解。
主頁配電箱安裝
1、家庭配電箱分為金屬外殼和塑料外殼兩種,有明式和暗式兩種,盒子必須完好無損。
2、家庭配電箱接線母線箱內應分別設置零線、保護接地線、相線,并要完好,絕緣良好。
3.空氣開關的安裝支架應光滑無阻礙,并有足夠的空間。

主頁配電箱安裝點有:
1、家庭配電箱應安裝在干燥、通風的地方,且無阻礙,使用方便。
2、族配電箱配電箱不應安裝得太高,一般安裝標高為1.8米,以便操作
3、進配電箱電管道必須用鎖緊螺母固定。
4.如果族配電箱配電箱需要打開孔,孔的邊緣必須平滑。
5.配電箱嵌入墻體時,應垂直水平,邊緣留有6mm的縫隙。
6.配電箱接線應整齊有序,端子螺絲必須擰緊。
7、每圈進線必須有足夠的長度,不得有接頭。

8.安裝后,請注明每個電路的使用名稱。9.安裝后,住戶必須清理2+中的殘留物。
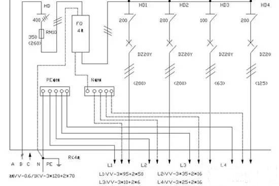
主頁配電箱接線圖
安裝時,Home 配電箱接線圖也很重要。小編輯專門為每個人準備了幾個非常詳細的接線圖。

主頁配電箱接線圖

家庭配電箱

主頁配電箱接線圖
只有當你安居樂業,水電安全是實現安居的重要環節時,我希望為大家編制的家庭配電箱安裝知識和家庭配電箱安裝圖紙能對你有所幫助。
更多選型規格報價定制等問題可及時聯系廠家,以上就是主頁配電箱安裝接線圖全部內容。
- 上一篇:智能配電箱與傳統箱式開關的區別
- 下一篇:建筑工地的建筑電工老師傅教你如何理解建筑藍
