視頻| 10KV高壓開關柜說明
視頻| 10KV高壓開關柜說明詳細資料由專業的低壓開關柜、低壓配電柜、低壓配電箱報價廠家為您提供。
視頻時長為19分53秒,建議在wifi下觀看
(來自騰訊視頻,版權屬于原作者)
10KV高壓分類開關柜:
10KV高壓開關柜根據柜體結構可分為四類:金屬封閉間隔型開關柜,金屬封閉鎧裝型開關柜,金屬封閉箱式開關柜和敞開式開關柜。
A.金屬封閉間隔開關柜(用字母j表示):類似于鎧裝金屬封閉開關設備,其主要電氣部件也分別安裝在單獨的隔間中,但有一個或多個非金屬隔板滿足一定的保護級別。例如,JYN2型高壓開關柜。
B.金屬封閉鎧裝型開關柜(用字母k表示):金屬封閉開關設備,其主要部件(如斷路器、變壓器、母線等。)分別安裝在由金屬隔板隔開的接地隔間中。例如:KYN28A型高壓開關柜。
c、金屬封閉箱開關柜(用字母x表示):開關柜外殼是金屬封閉開關設備。例如,XGN2型高壓開關柜。
d、開路開關柜:沒有保護等級要求,外殼的某些部分是開路開關設備。例如,GG-1A(F)型高壓開關柜。常用的10KV高壓開關柜型號。
10kV高壓開關柜的控制方法
因為10kV是高電壓,人體不能接觸它。因此,如何控制這個高壓開關以及如何控制它實際上是一項技術。否則,高壓傳輸就成了空話。
下圖顯示了一個典型的10kV開關,型號為ABB,開關位于機柜中間。
本地控制這個開關實際上是下圖中間的兩個按鈕,一個紅色,一個綠色。
其中,紅色是開啟按鈕,綠色是關閉按鈕。這兩個按鈕還會根據開關指令發光。

理論上,這個按鈕是這樣的:

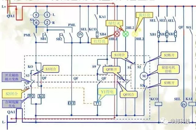
事實上,按鈕的指示和按鈕后面的電路可能不是每個人都清楚。在這里,讓我們談談它。在我們談論它之前,讓我們特別解釋一下,示意圖上的電顯示了沒有通電時的狀態。

處于初始狀態的電路使得操作電源的開關QA1處于斷開狀態。

電路通電后,開關處于閉合狀態。

然后是能量儲存,為開關的閉合做準備。

儲能完成后,儲能開關自動打開,可以使用合閘彈簧,儲能標志或燈一般為黃色。

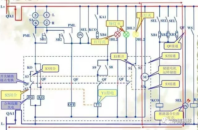
這是關閉期間的狀態。開關接通后,電流將通過2次電擊接通,并流過上圖中的紅線指示。HQ是閉合線圈,它將觸發儲能彈簧動作。同事們,斷路器輔助開關的狀態會隨著閉合而改變。

開機后,幾個狀態會發生變化。首先,較左側HQ上的開關輔助觸點變為開路狀態,導致開關線圈斷電。其次,在關閉過程中,儲能彈簧釋放能量,如下圖所示:

這樣,儲能開關的s2和s3小開關再次閉合,彈簧自動儲存能量用于下一次開關動作。儲能完成后,儲能指示燈將再次變黃。
要關閉,請按上圖中的綠色按鈕。電路如下:

按下釋放按鈕,即途中的SB2,釋放電路將啟動。由于儲能彈簧已在閉合過程中儲存,按下該按鈕后,釋放動作將立即開始,釋放過程將完成,斷路器輔助開關的位置將恢復到初始狀態。
怎么樣,雖然是簡單的開關,電路也相當復雜,實際的開關電路比剛才說的復雜得多,因為還有防跳電路、保護動作引起的跳閘電路等。
新的電工正在成長。
感覺迷失了嗎?
改變,從首先個電氣計劃開始!
如何成為杰出的建筑電氣設計師?
參與:將鏈接中的海報和截圖轉發給“鐘佳佳”
現場直播:8月23日19: 30(周四晚上)
實時地址:添加微信,編輯會將其發送到您的實時地址。
雞蛋福利:供電和配電設計、電氣和電子規格等300個問題
郵票:http://BBS . Zhu long . com/104030 _ group _ 764/detail 30781324
10KV變電站設計要點——視頻課程推薦
本課程細化了“高壓配電室、變壓器室和低壓配電室”各環節的設計思路和設備選型規范,并說明了10kV高壓系統圖的推薦方案。經過學習,你真的可以成為一個變電站!
更多選型規格報價定制等問題可及時聯系廠家,以上就是視頻| 10KV高壓開關柜說明全部內容。
- 上一篇:低電壓開關柜各種機柜類型的優缺點比較
- 下一篇:完全理解KYN28A開關柜
