干貨開關柜二級電路知識和接線圖~
干貨開關柜二級電路知識和接線圖~詳細資料由專業的低壓開關柜、低壓配電柜、低壓配電箱報價廠家為您提供。
開關柜 1的一次和二次電路概述
開關柜的主要部件包括:真空斷路器、電流互感器、就地安裝的微機保護裝置、操作電路附件(手柄、指示燈、壓板等)。),以及各種位置輔助開關。
其中,斷路器和電流互感器安裝在開關柜內,微機保護、附件和電能表安裝在繼電器室的面板上(使用以前的名稱,實際上沒有繼電器),端子排安裝在繼電器室內,帶有各種電源空氣開關,端子排通過控制電纜或專用插座與斷路器機構連接。
為了理解開關柜的二次接線,我們需要找到兩張圖紙:
微機綜合保護制造商提供的保護原理圖和接線圖;
開關柜制造商提供的二次原理圖、接線圖、端子框圖和斷路器機構原理圖。制造商紙張的綜合保護是開關柜制造商設計的原始基礎,也是我們審查開關柜制造商圖紙的基礎。
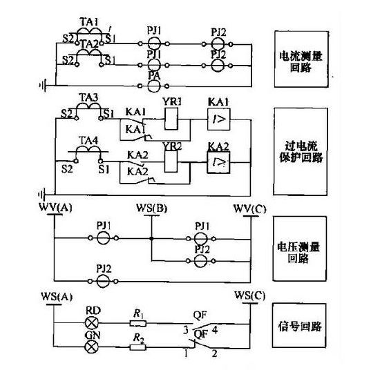
開關柜出廠原理圖一般是根據微機保護的原理圖修改,然后示意性地畫出電流、電壓和信號量的輸入,以及控制量的輸出。

第二,中心開關柜二次接線
KYN28A中央柜為10kV開關柜型,較常用于城市地區變電站型,由柜體和可抽出部件(中央手推車)組成。機柜分為手車室、主母線室和電纜室。中繼儀器室。
1.中繼室
繼電器室面板設有微機保護裝置、操作手柄、保護出口壓板和指示燈(關閉位置紅燈、分檔位置綠燈、儲能完成黃燈);

2、手車(斷路器)室
中央柜中較常用的斷路器是VS1真空斷路器,斷路器機構中的接線通過專用插座與繼電器室的接線盒連接。一段插頭與斷路器機構固定連接,另一段為專用插頭。匹配的插座安裝在斷路器室的右上方,并從插座連接到繼電器室的接線盒。為了了解二次回路,我們需要對運行過程有一定的了解。
中間柜斷路器手車有三個位置:斷開、測試和操作(需要注意的是,斷路器手車和斷路器是兩個概念,斷路器手車實際上是斷路器及其座)。
正常運行時,斷路器手車處于運行位置,斷路器處于合閘位置,二次線插頭與插座連接。
手動跳閘后,斷路器處于斷開狀態,手車處于運行位置;用專用搖把將斷路器手車搖出至試驗位置,可拔出二次插頭(手車在運行位置時不能拔出);
繼續搖動,手車退出斷路器室并處于斷開位置。
斷開位置:斷路器與一次設備(母線)無連接,失去操作電源(二次插頭已拔出),斷路器處于斷開位置;
測試位置:二次插頭可以插入插座獲得電源。斷路器可以開關,相應的指示燈亮。
斷路器與一次設備沒有連接,可以進行各種操作,但不會對負載側產生任何影響,因此稱為試驗位置。
操作位置:斷路器與一次設備連接。接通電源后,電力通過斷路器從母線傳輸到輸電線路。
中央機柜沒有傳統意義上的隔離開關概念。手車處于試驗位置時,相當于傳統隔離開關斷開,即斷路器和主回路(一次母線)有明顯的斷開點。
3.中繼室
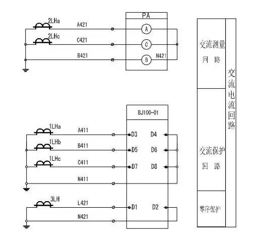
95X系列微機保護裝置由上海郭子電力科技有限公司為中央柜設計,體積小。功能齊全。可以實現三級過流。過壓。欠壓、三相重合閘、逆時限等常規繼電保護功能。
(1)電流回路
從下圖可以看出。要訪問的電流互感器模擬量是A、B、C和相電流。(當然,在某些項目中,A相和C相是相連的,不完全星形法)一次電量也可以顯示在微機保護裝置上,并且該電量取自保護等級。如果對精確度有特殊要求。可以帶測量級的串聯電流表。

(2)電壓回路
從上圖可以看出,要連接的電壓互感器模擬量是A、B、C和相電壓。當然,如果需要,可以連接零序電壓進行零序電壓保護。從圖中可以看出,這種連接是星型連接。如果是電壓/電壓連接,D9和D12可能會短路。

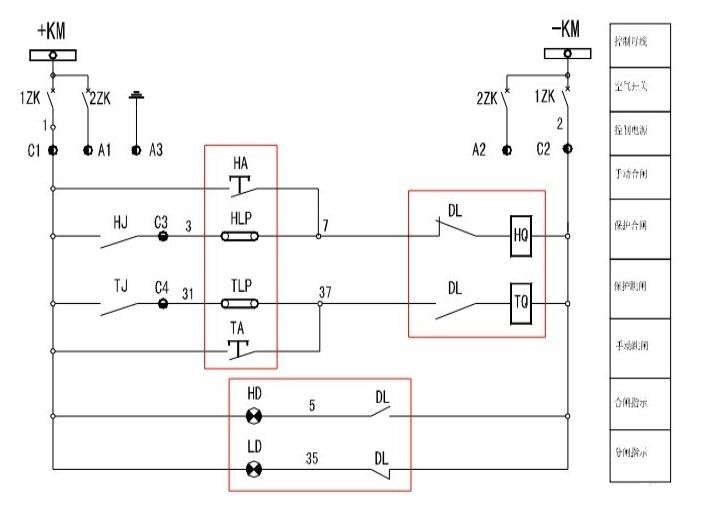
(3)、操作電路
95X的運算電路整體上比較簡單。直覺。它比傳統的綜合保護更便于操作和使用。容易理解。它更容易操作。紅色盒子中的設備不是GZP-95X的一部分,它們由開關柜制造商提供,并安裝在繼電器室的面板上。并且連接到斷路器的閉合位置。

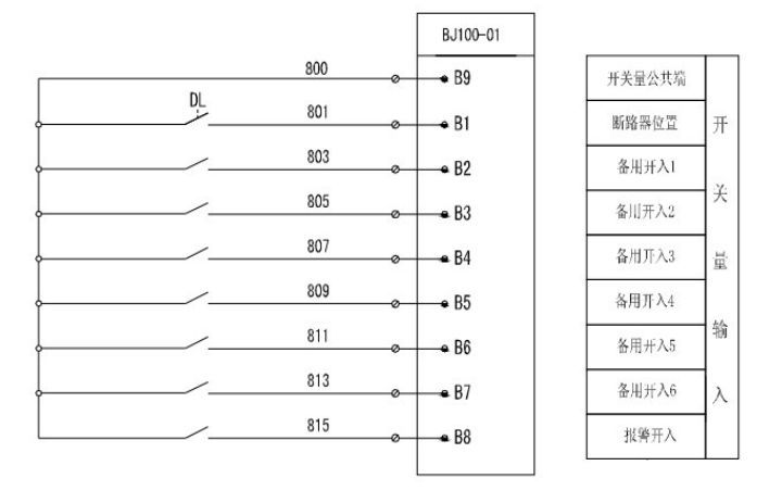
(4)打開進氣回路
以上是設備的遠程信號(開關量)電路。與110千伏電壓等級設備的保護裝置不同,35/10kV設備的保護、測量和控制是一體化設計,即一體化為一個裝置。移除斷路器位置。其他金額可自行定義。同時,它還提供報警輸入信號。可以實現非電量跳閘信號輸入。

三、關于乙相電流互感器
B相電流互感器的作用:一般只安裝A相電流互感器和C相電流互感器。為什么現在安裝B相電流互感器?
這主要是由于小電流接地選線功能。當10kV架空線路單相接地時,允許其繼續運行一段時間,但必須確定哪條線路接地,以便盡快檢查和修復線路,即“選線”。
線路選擇基于線路的零序電流是否為零。零序電流是三相電流的矢量和,正常情況下理論值為零,單相接地時測得的零序電流不為零,可以判斷線路故障。因此,有必要配置三相電流互感器來計算零序電流。
對于電纜出線,在高壓(10kV)電纜上安裝一個專用的零序電流互感器,不需要計算三相電流互感器的總和,通過配置A、C兩相電流互感器即可實現保護功能。
匆忙戳這篇文章
在工業數字化轉型的時代,如何為工業網絡提供“私人訂閱”服務?我們選擇了四個評論數量較多的小合作伙伴,通過郵件提供了一份西門子工業通信網絡配置編程和故障診斷的副本(見下面的示意圖)。前20名合作伙伴將收到一份紅包驚喜(外加小秘書微信gkongnews007,以及私人信件中的超大紅包)


).一旦閱讀量達到6000,它將停止并獎勵。幸運獲勝者的昵稱將會被張貼在信息區,請關注我們!(你可以打電話給你朋友的朋友來幫你表揚它。)
西門子工業通信網絡組態編程和故障診斷

更多選型規格報價定制等問題可及時聯系廠家,以上就是干貨開關柜二級電路知識和接線圖~全部內容。
- 上一篇:低電壓開關柜的作用是什么?效果如何?為什么
- 下一篇:基礎知識|高電壓開關柜型號表示
